HR3051-LT Differential Pressure Level Transmitter

The diaphragm of the differential pressure level transmitter is used to prevent the medium in the pipeline from directly entering the pressure sensor component of the differential pressure transmitter. It uses a filling fluid such as silicone oil to transmit pressure between the transmitter and the transmitter.
The HR3051-LT differential pressure level transmitter measures the level density pressure and flow of a liquid gas or vapor and converts it into a 4-20 mADC HART current signal output. The RP2001 can also communicate with the RST375 handheld terminal or the RSM100 Modem for parameter setting process monitoring and more. The measuring range of the HR3051-LT differential pressure level transmitter (when not moved) is 0-1kPa~2MPa and the rated pressure of the liquid level flange is: 1.6/4MPa 6.4MPa 10MPa 150psi 300psi or 600psi.

Can be fixed directly to any position by level flange transmitter

With liquid crystal display fluoro rubber sealing ring -20 ~ 65 ° C

2-wire system 4 to 20mADC HART output

Output signal limit: Imin=3.9mA Imax=20.5mA

Measurement parameters: differential pressure liquid level

The low pressure side is the rated pressure of the transmitter body and the high pressure side is the rated pressure of the liquid level flange.

Product related

Technical Parameters

Range
Table 1 Comparison of range code and range limits
Range code Minimum range Maximum range Rated pressure (maximum)
B 1kPa 6kPa Rated pressure of the liquid level flange
C 4kPa 40kPa
D 25kPa 250kPa
E 200kPa 2MPa
Table 2 Comparison of liquid level flange and
 minimum range relationship     
Level flange Nominal diameter Minimum range
Flat type DN 50/2” 10kPa
DN 80/3” 1kPa
DN 4” 1kPa
Plug-in type DN 50/2” 16kPa
DN 80/2” 1kPa
DN 4” 1kPa

Related parameters

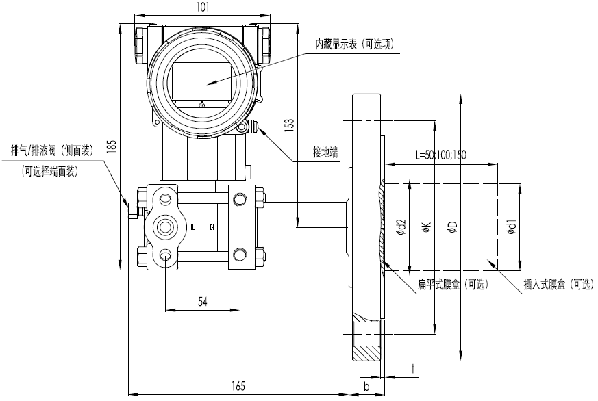
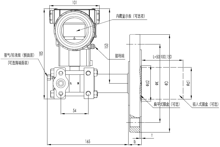
Working principle and structure size
HR3051-LT differential pressure level transmitter is composed of HR3051-DP type differential pressure transmitter and welding mounted liquid level flange. Its working principle is the same as that of HR3051-DP type differential pressure transmitter (see HR3051-DP type differential pressure transmitter technical specification), except that the pressure transmission path on the positive pressure side is slightly different: the pressure acting on the high pressure side is firstly The diaphragm and filling fluid on the level flange pass through the transmitter body and finally reach the high pressure side of the measuring sensor.

HR3051-LT结构尺寸
点击看大图

Related Products

HR3051-DP Differential Pressure Transmitter

HR3051-DP Differential Pressure Transmitter

The HR3051-DP differential pressure tran···...

HRTU8101 GPRS/GSM Micro-power Measurement Terminal

HRTU8101 GPRS/GSM Micro-power Measurement Terminal

HRTU8101 GPRS/GSM Micro-power Measuremen···...

HR8833-Three parameters recorder

HR8833-Three parameters recorder

HR8833 is a three-parameter (water level···...

With display hersman connector pressure transmitter

With display hersman connector pressure transmitter

The intelligent digital indicator is con···...

HR8066/67 High Precision Static Level for Settlement Monitoring

HR8066/67 High Precision Static Level for Settlement Monitoring

HR8066/67 high-precision static force le···...

HR8003 pressure water level gauge

HR8003 pressure water level gauge

HR8003 water level transmitter is one ki···...