HR3051-LAP/LGP Absolute Pressure Remote Transmitter

The membrane box of the remote transmitter is used to prevent the medium in the pipeline from directly entering the pressure sensor component of the transmitter. It uses a filling fluid such as silicone oil to transmit pressure between the transmitter and the transmitter.
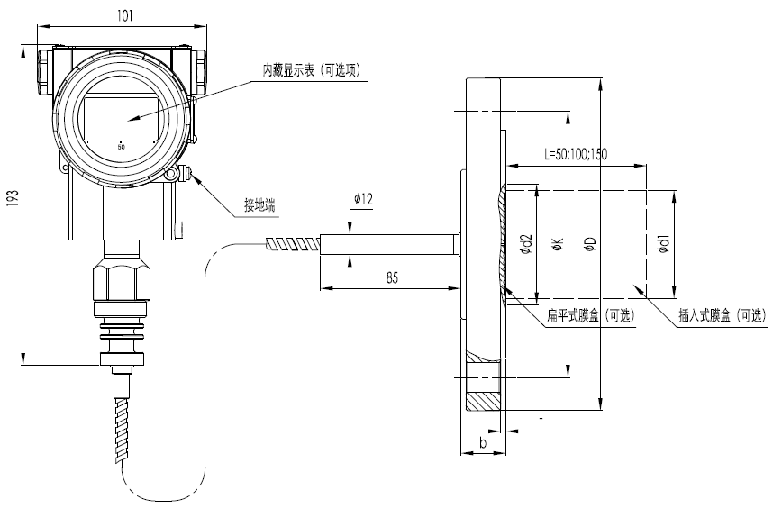
The HR3051-LGP/LAP gauge/absolute remote transmitter is used to measure the liquid level density and pressure of a liquid gas or vapor and then convert it to a 4-20 mADC HART current signal output. The HR3051-LGP/LAP can also communicate with the RST375 handheld terminal or the RSM100 Modem for parameter setting process monitoring and more. The measuring range of HR3051-LGP/LAP type gauge pressure/absolute pressure remote transmitter is 0-6kPa~25MPa and the rated pressure of remote flange is 1.6/4MPa 6.4MPa 10MPa 150 psi 300 psi or 600 psi.

Range zero externally continuously adjustable

One-way overload protection features are small lightweight and robust

No mechanical moving parts less maintenance work

Full range of unified structure strong interchangeability of parts

Positive migration up to 500% negative migration up to 600%

Solid component plug-in printed circuit board

Product related

Technical Parameters

Range
Table 1 Comparison of range code and its range
Range code Minimum range Maximum range Rated pressure (maximum)
C 6kPa 40kPa Rated pressure of the liquid level flange
D 25kPa 250kPa
F 30kPa 3MPa
Underreport mode (minimum):3.7 mA
High-report mode (maximum):21 mA
No report mode (hold):Maintain the effective current value before the fault
Alarm current standard setting:High-report mode
 
Response time
The amplifier component has a damping constant of 0.1 s; the sensor and remote flange time constant is 0.2 to 6 s depending on the sensor's range turndown ratio capillary length and viscosity of the fill fluid. The additional adjustable time constant is 0.1 to 60 s.
 
General conditions
Installation conditions
Gauge/absolute remote transmitters without capillaries can be mounted directly from the remote flange and positional offsets will produce a correctable zero offset. The electronic case can be rotated up to 360° and the set screw can be fixed in any position.
The gauge/absolute remote flange is connected to the ANSI/DIN-compliant mating flange. The mating flange should be equipped with soft gaskets and bolts and nuts (user-selectable mounting bolts and nuts). .
For a gauge/absolute remote transmitter with a capillary if the remote seal is lower than the transmitter body the maximum height drop of the remote seal and the transmitter body should be <5 m. When the working pressure is below 100 kPa absolute the transmitter body must be lower than the remote seal.
The minimum bending radius of the capillary is 75mm and it is strictly prohibited to entangle!

Related parameters

777午夜福利理论电影网

Related Products

HR3051-DP Differential Pressure Transmitter

HR3051-DP Differential Pressure Transmitter

The HR3051-DP differential pressure tran···...

HRTU8101 GPRS/GSM Micro-power Measurement Terminal

HRTU8101 GPRS/GSM Micro-power Measurement Terminal

HRTU8101 GPRS/GSM Micro-power Measuremen···...

HR8833-Three parameters recorder

HR8833-Three parameters recorder

HR8833 is a three-parameter (water level···...

With display hersman connector pressure transmitter

With display hersman connector pressure transmitter

The intelligent digital indicator is con···...

HR8066/67 High Precision Static Level for Settlement Monitoring

HR8066/67 High Precision Static Level for Settlement Monitoring

HR8066/67 high-precision static force le···...

HR8003 pressure water level gauge

HR8003 pressure water level gauge

HR8003 water level transmitter is one ki···...